Cómo insertar los puntos de corte en la espalda
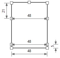
- Espalda en el estado inicial:

- 1
- Insertar puntos de inicio de la sisa.

- 2
- Dimensionar horizontalmente la distancia entre los puntos de inicio de la sisa con la medida Anchura de cuerpo después del comienzo.

- 3
- Dimensionar verticalmente la distancia entre el punto de inicio de la sisa y el punto final de la sisa con la medida Profundidad de sisa.

- 4
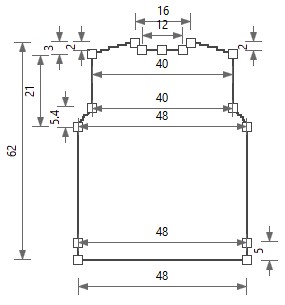
- Insertar puntos finales de hombro.

- 5
- Dimensionar verticalmente la distancia entre el punto final del hombro y el punto de inicio del cuerpo con la medida Longitud.


- 6
- Dimensionar horizontalmente la distancia entre los puntos finales de hombro con la medida Anchura de escote.


- 7
- Dimensionar verticalmente la distancia entre el punto final del hombro y el punto central del escote con la medida Profundidad de escote posterior.


- 8
- Dimensionar verticalmente la distancia entre el punto final del hombro y el punto final de la sisa con la medida Caída de hombro.

- 9
- Dimensionar horizontalmente la distancia entre los puntos finales de la sisa con la medida Anchura de hombros.

- 10
- Insertar punto final de menguado de sisa.

- 11
- Dimensionar horizontalmente la distancia entre los puntos finales de menguado de sisa con la medida Anchura de hombros.

- 12
- Dimensionar verticalmente la distancia entre el punto final del menguado de sisa y el punto de inicio de la sisa con la fórmula Altura del menguado de sisa.

- 13
- Insertar los puntos de corte para la anchura de desprendimiento en el escote posterior.

- 14
- Dimensionar horizontalmente la distancia entre los puntos de corte para la anchura de desprendimiento en el escote posterior con la fórmula Anchura de desprendimiento en el escote posterior.

- 15
- Dimensionar verticalmente la distancia entre el punto de corte para la anchura de desprendimiento en el escote posterior y el punto final del hombro con la medida Profundidad de escote posterior.

