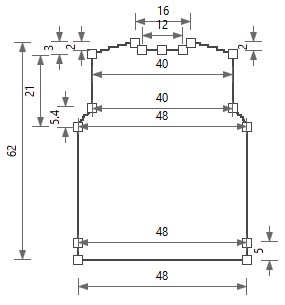
So fügen Sie die Schnittpunkte im Rückenteil ein

  1. Rückenteil im Ausgangszustand:
    1
    Armloch-Startpunkte einfügen.
    2
    Armloch-Startpunkte zueinander mit dem Maß Leibbreite nach Anfang horizontal bemaßen.
    3
    Armloch-Startpunkt und Armloch-Endpunkt zueinander mit dem Maß Armlochtiefe vertikal bemaßen.
    4
    Schulter-Endpunkte einfügen.
    5
    Schulter-Endpunkt und Leib-Anfangspunkt zueinander mit dem Maß Länge vertikal bemaßen.
  1. 6
    Schulter-Endpunkte zueinander mit dem Maß Ausschnittbreite horizontal bemaßen.
  2. 7
    Schulter-Endpunkt und Ausschnitt-Mittelpunkt zueinander mit dem Maß Hintere Ausschnitttiefe vertikal bemaßen.
  3. 8
    Schulter-Endpunkt und Armloch-Endpunkt zueinander mit dem Maß Schultertiefe vertikal bemaßen.
  4. 9
    Armloch-Endpunkte zueinander mit dem Maß Schulterbreite horizontal bemaßen
  5. 10
    Armlochminderung-Endpunkt einfügen.
  6. 11
    Armlochminderung-Endpunkte zueinander mit dem Maß Schulterbreite horizontal bemaßen.
  7. 12
    Armlochminderung-Endpunkt und Armloch-Startpunkt zueinander mit der Formel Höhe der Armlochminderung vertikal bemaßen.
  8. 13
    Schnittpunkte für Abwerfbreite im hinteren Ausschnitt einfügen.
  9. 14
    Schnittpunkte für Abwerfbreite im hinteren Ausschnitt zueinander mit der Formel Abwerfbreite im hinteren Ausschnitt horizontal bemaßen.
  10. 15
    Schnittpunkt für Abwerfbreite im hinteren Ausschnitt und Schulter-Endpunkt zueinander mit dem Maß Hintere Ausschnitttiefe vertikal bemaßen.