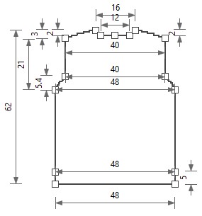
Insertar puntos de corte y posicionarlos Cómo insertar los puntos de corte en la espalda Cómo insertar los puntos de corte en la pieza delantera Cómo posicionar los puntos de corte en el cuello Cómo posicionar los puntos de corte en el ribete de sisa