1. GKS 用户指南
  2. GKS 用户指南
  3. 例如
  4. 利用公式的个人版无袖套头衫
  5. 编辑几何形状
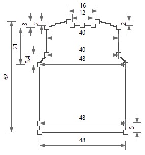
  6. 插入和定位模型点

插入和定位模型点

  • 如何在后片插入模型点

  • 如何在前片插入模型点

  • 如何定位领子的模型点

  • 如何定位袖笼边的模型点

详情

    © 2018 / 7 H. Stoll AG & Co. KG

    • 菜单
    • 主页
    • 语言
    • Deutsch
    • US-English
    • Chinese (simplified)
    • Italiano
    • Español
    • 主页