如何在后片插入模型点
- 初始状态的后片:

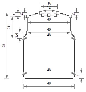
- 插入肩结束点。

- 用身长尺寸值对肩结束点和大身起始点之间进行纵向标注。

- 肩结束点之间用领阔尺寸值标注。

- 用后领深尺寸值对肩结束点和开领中心点之间进行纵向标注。

- 用落肩尺寸值对肩结束点和袖笼结束点之间进行纵向标注。
- 袖笼结束点之间用肩阔尺寸值进行横向标注。
- 插入袖笼收针结束点。
- 袖笼收针结束点之间用肩阔尺寸值进行横向标注。
- 用袖笼收针高度公式值对袖笼收针结束点和袖笼起始点进行纵向标注。
- 插入后领底平位宽度模型点。
- 用后领底平位宽度公式值对后领底平位宽度模型点之间进行横向标注。
- 用后领深尺寸值对肩后领底平位宽度模型点和肩结束点之间进行纵向标注。

详情














